Jiangsu Xingtai Hydraulic Manufacturing Co., Ltd. была основана в 1992 году и расположена в городе Тайчжоу провинции Цзянсу, Китай. Компания специализируется на производстве гидравлических машин для прессования канатов, машин для отжига и сужения канатов, алюминиевых втулок и подъемных зажимов. Компания оснащена передовыми производственными мощностями, мощными техническими возможностями, авторитетным испытательным оборудованием и комплексной системой управления качеством.
Обжимные элементы гидравлических машин Xingtai изготовлены из высокопрочной легированной стали. Корпус машины изготовлен из цельного блока материала, что обеспечивает целостность конструкции и длительный срок службы. В наших гидравлических системах используется система подачи масла с насосом двойного давления, которая обеспечивает быстрое движение вверх и вниз, обеспечивая при этом плавный процесс прессования. Такая конструкция значительно повышает качество прессования и эффективность производства.
Гидравлические машины Xingtai экспортируются во многие страны, включая Великобританию, Австралию, Нидерланды, Латвию, Малайзию, Таиланд, Индию, Россию, Ботсвану, Польшу и другие.
Руководствуясь философией «высокого качества, конкурентоспособной цены и долгосрочной приверженности», мы стремимся удовлетворять потребности наших клиентов и предоставлять им наилучший сервис. Мы по-прежнему стремимся обслуживать как существующих, так и новых клиентов с одинаковым уровнем качества, работая вместе над построением успешного будущего.
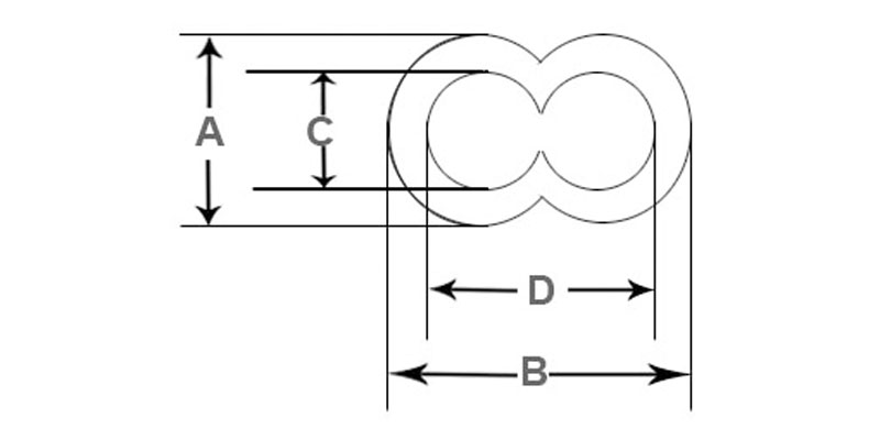
| Режим | Диаметр стального каната (мм) | Размер алюминиевой втулки (мм) | Длина (мм) | Вес (г/шт) | |||
| А | Б | С | Д | ||||
| XTH-1/16" | 1.6 | 4.37 | 6.35 | 1.96 | 4 | 9.6 | 0.41 |
| XTH-5/64" | 2 | 5.56 | 7.95 | 2.39 | 4.8 | 9.6 | 0.73 |
| XTH-3/32" | 2.4 | 7.06 | 10.26 | 3.3 | 6.5 | 12.7 | 1.45 |
| XTH-1/8" | 3.2 | 8.71 | 12.7 | 3.96 | 7.9 | 15.9 | 2.9 |
| XTH-5/32" | 4 | 9.53 | 14.3 | 4.75 | 9.5 | 17.5 | 3.63 |
| XTH-3/16" | 5.1 | 11.2 | 16.9 | 5.66 | 11.4 | 25.4 | 7.17 |
| XTH-7/32" | 5.6 | 12.7 | 19.1 | 6.35 | 12.7 | 27 | 10.07 |
| XTH-1/4" | 6.4 | 13.61 | 20.8 | 7.37 | 14.6 | 28.6 | 11.43 |
| XTH-9/32" | 7.1 | 14.27 | 22.35 | 7.92 | 16 | 30.2 | 12.81 |
| XTH-5/16" | 8 | 17.45 | 26.19 | 9.53 | 18.3 | 31.7 | 20.41 |
| XTH-3/8" | 9.6 | 19.05 | 29.36 | 11.13 | 21.4 | 36.5 | 29.53 |
| XTH-7/16" | 11.1 | 23.8 | 36.5 | 17.7 | 25.4 | 42.8 | 53.53 |

Алюминиевый рукав в форме песочных часов — это прецизионный фитинг для троса, также называемый наконечниками в форме песочных часов, изготовленный из бесшовного алюминия методом экструзии и механической обработки для обеспечения надежной работы. Его отличительная форма в форме песочных часов принесла ему такое название: он оптимизирован для ручной опрессовки механическими инструментами —нет необходимости в гидравлических прессах—, что делает установку быстрой и доступной.
Разработанный для алюминиевого, высокопрочного/мягкого стального или оцинкованного троса (избегайте сочетания с нержавеющей сталью; вместо этого используйте оцинкованные медные втулки), каждый размер соответствует определенному диаметру проволоки для плотного прилегания. При правильной обжатии наперстком (для равномерного распределения усилия и уменьшения износа проволоки) он обеспечивает 90% эффективность заделки, создавая постоянное и надежное соединение.
Анодированный для защиты от коррозии, он отлично подходит для использования в морской, сельскохозяйственной, строительной и сценической технике —даже при воздействии соленой воды. Легкая, но прочная алюминиевая конструкция обеспечивает низкий профиль узлов, исключая помехи от лебедок или шкивов.
Доступны индивидуальные размеры, и он соответствует стандартам ISO 9001 и CE. В целях безопасности следуйте инструкциям производителя по обжиму и проверяйте с помощью указателя хода/нехода, особенно при критическом подъеме. Прочный и экономичный выбор для сращивания и концевой заделки стальных канатов.
English
русский
Français
Español
Português
Deutsch
عربى
Türk




